



1.Electrical Characteristics:
Rated Current: 5A max.
Rated Voltage: 20V/DC max.
Withstanding Voltage: AC 100V min.
Insulation Impedance: 100M min.
Contact Impedance: 400m max.
Contact Impedance after endurance: 50m max.
2.Environmental Characteristics:
Working Ambient Temperature -30℃~+85℃
3.Mechanical Characteristics:
Insertion Force: 5~20N
Pull-out Force: 8~20N
Insertion and Pull-out Speed: 12.5/mm, insertion/extraction frequency 500 times/min
Durability: 10000Cycles
Insertion force after durability: 5~20N
Extraction force after durability: 6~20N
4.Salt spray test
Salt spray: 48H




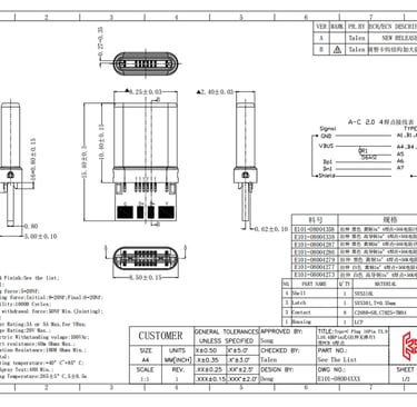
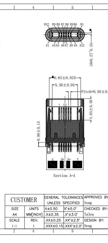
Type-C Plug16Pin 4-solder A-C
Connectors
Quality electronic connectors for diverse applications.
Key Account Manager
Welcome inquiries
E-mail : jojo@kzconnector.com
TEL: +86-13538668046 Jojo
2021.All rights reserved for Shenzhen Kangzheng Electronics Co., Ltd.
Add:FTY1: Building 8, Lane 4, Yuanzhou, Ludong Community, Humen Town, Dongguan City, Guangdong Province, China.
FTY2: Building 1, Huitong Shuipingxi Electromagnetic Information Industrial Park, Huaihua City, Hunan Province, China.
